振动设备
13633733996
产品用途和适用范围:
振动电机是动力源与振动源合为一体的机振源,其激振力可能无级调节,使用很方便。Y系列振动电机为通用型振动电机。
振动电机广泛应用于各种振动机械,如:振动破碎机、振动筛分机、振动打包机、振动落砂机、振动造型机、振劫打桩等、振动提升机、振动充填机、料仓的振动破拱防塞装置等。广泛地应用在水电建设、火电发电、建筑、建材、化工、采矿、煤炭、冶金、轻工等工业部门。

主要适用范围:
l、本机振动加速度低于20
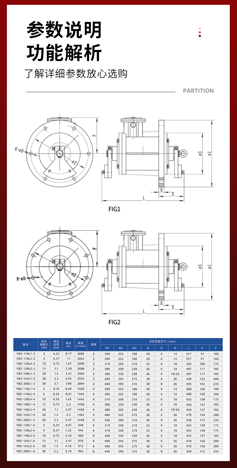
2、使用环境温度不高于40℃(如果设备环境温度高于~40℃应降低功率使用)。
3、主机激振功率值应不超过铭牌的规定,否则,则应降低激振力使用。
4、连续载荷,长期运转。
5、使用地区海拔不超过1000米,如超过1000米,但不超过4000米时。每增高l00米,额定温度限值应降低0.5℃。
三、主要结构及工作原理
1、工作原理:
(1)本产品由特殊设计的电机外加偏心块组成,当电机旋转时,偏心块产生激振力通过电机传递给振动机械。
(2)本产品轴两端各装有两块扇形偏心块,调节两端偏心块夹角大小,可以改变激振力大小。
(3)激振力:Fm=·r·ω2
G:偏心块质量
g:重力加速度
r:偏心块质心与回转轴心的距离
ω:电机旋转角频率
振幅:

Fm:激振力(N)
G:参振重量
N:转速
S:双振幅(mm)
2、吊运、安装与调试
l、吊运时在机壳吊环螺钉处悬吊。
2、振动电机与振动机械连接平面均为3.2。
3、激振力的调整。
(1)拆除防护罩。
(2)旋松外侧偏心块夹紧螺栓。
(3)两侧偏心块应同方向转动,使轴上刻线对准偏心块上激振力示值刻线至需要的激振力值处。
(4)旋紧偏心块螺栓及安装防护罩。
3、操作与使用
(1)本机应可靠牢固地安装在振动机械上。
(2)本机安装就位后,在机体及基础上,均要有电缆压紧装置,二者之间电缆呈自然悬吊状,总长度以300~500mm为宜,自然悬垂部弯弧半径应在700~750mm之间。
(3)本机通过以50HZ交流电,电机即可旋转,但应观察转向是否与要求相符,否则应调改相序改变转向。直线振动设备两台振动电机旋转方向应相反。
(4)本机安装后,累积运转100小时内为初运转期。在初运转期内,每班应对底脚螺栓增紧一次。
(5)本机电控系统应有可靠的保护装置。
(6)严禁载荷移动。
四、维修保养与存放:
1、振动电机在运转中如发现有异常响声时,应立即停机检查排除故障后方可再启动运转。
2、为保证振动电机的正常运转,防止事故的发生,振动电机必须每隔两个月检修一次,检查办法:
应清除机内积尘、污垢、清洁线包并检查线包绝缘电阻是否完好,轴承磨损情况,必要时更换轴承及新润滑脂,接地、接头、各紧固件及偏心块是否有松动并及时排除。工作环境恶劣粉尘比较大的场所,必须每月清洗一次轴承并注入新润滑脂。
3、本产品在每日运转3小时以上,累计运转500小时应更换轴承及润滑脂,换油前应将轴承室及轴承端盖清洗干净,注入3#锂基润滑脂至轴承内外腔的l/4一l/5为宜。
(注:拆除防护罩即可看到加油孔)
4、本产品振动电机允许有轴向游隙0.3一lmm。
5、本产品的轴与轴承为动配合精度为H6/f5
6、振动电机不用时,必须存放在通风干燥的仓库,库内不应有腐蚀性气体,对新储存振动电机应定期检查有无受潮、受冻、发锈及润滑脂变质等情况。7、振动电机放置时间过长在重新使用前必须用500V摇表检查组的绝缘电阻,在接近工作温度(70℃)时,应不低于0.38兆欧。否则应进行烘干处理。
8、本产品因制造质量原因引起质量问题,我公司一年内负责三包。











公司产品广销全国多个省市地区,产品获得广大客户好评
秉持“专一、专注”的精神,提供匠心产品,服务全球千万用户
实力雄厚 · 设备优良 · 质量保证 · 用户至上 · 合作共赢
13633733996
扫一扫 关注我们